

一、適用成型機規格: 90T~450T噴嘴機械孔(Φ100)
二、適用于小水口標準模胚系列
三、優點介紹:
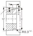
1).定位環與灌嘴保證同心, 射出噴嘴決不漏料;
2).有效減短料頭長度, 降低廢料成本, 且利于成型;
3).采用標準化設計制造, 交貨迅速, 經濟實用;
4).使用材質: 鉻鋼;
5).可依模具實際規格及特殊要求量身定做。
四、標準規格及價目對照表: (右表所示)
I. Apply to machine's specification:90T-450T(Φ100)
II.Apply to small water spigot standard mold embryo.
III.Merit:
1).Locating ring and sprue bushing concentric,do
not leak material when ejecting.
2).Can reduce material head's length and reduce
cost efficacious,and be propitious to molding.
3).Adopt standard design manufacture,delivery
ontime,economic and with practicability.
4).Material:Nobelium steel.
5).Special product is available per the mold's
specification.
IV.Standard specification and price list:(as list on right)

| GS系列 | A | B | C |
| Φ12 | 20 | 30 | |
| 35 | |||
| 45 | |||
| 25 | 30 | ||
| 35 | |||
| 45 | |||
| 30 | 30 | ||
| 35 | |||
| 45 | |||
| Φ16 | 25 | 35 | |
| 45 | |||
| 50 | |||
| 30 | 35 | ||
| 45 | |||
| 50 | |||
| 35 | 35 | ||
| 45 | |||
| 50 | |||
| Φ20 | 30 | 45 | |
| 50 | |||
| 60 | |||
| 35 | 45 | ||
| 50 | |||
| 60 | |||
| 40 | 45 | ||
| 50 | |||
| 60 |

一、適用成型機規格: 450T~1000T噴嘴機械孔(Φ120)
二、適用于小水口標準模胚系列
三、優點介紹:
1).定位環與灌嘴保證同心, 射出噴嘴決不漏料;
2).有效減短料頭長度, 降低廢料成本, 且利于成型;
3).采用標準化設計制造, 交貨迅速, 經濟實用;
4).使用材質: 鉻鋼;
5).可依模具實際規格及特殊要求量身定做。
四、標準規格及價目對照表: (右表所示)
I. Apply to machine's specification:450T-1000T(Φ120)
II.Apply to small water spigot standard mold embryo.
III.Merit:
1).Locating ring and sprue bushing concentric,do
not leak material when ejecting.
2).Can reduce material head's length and reduce
cost efficacious,and be propitious to molding.
3).Adopt standard design manufacture,delivery
ontime,economic and with practicability.
4).Material:Nobelium steel.
5).Special product is available per the mold's
specification.
IV.Standard specification and price list:(as list on right)

| GL系列 | A | B | C |
| Φ16 | 40 | 60 | |
| 80 | |||
| 100 | |||
| 50 | 60 | ||
| 80 | |||
| 100 | |||
| 60 | 60 | ||
| 80 | |||
| 100 | |||
| Φ20 | 40 | 60 | |
| 80 | |||
| 100 | |||
| 50 | 60 | ||
| 80 | |||
| 100 | |||
| 60 | 60 | ||
| 80 | |||
| 100 | |||
| Φ25 | 40 | 60 | |
| 80 | |||
| 100 | |||
| 50 | 60 | ||
| 80 | |||
| 100 | |||
| 60 | 60 | ||
| 80 | |||
| 100 |
訂購:40-小水口標準特殊注口親套 JH028-2