

設計簡單,容易安裝。操作時具有高度的可靠性。
經試驗和測試與Z170可以兩選一使用。
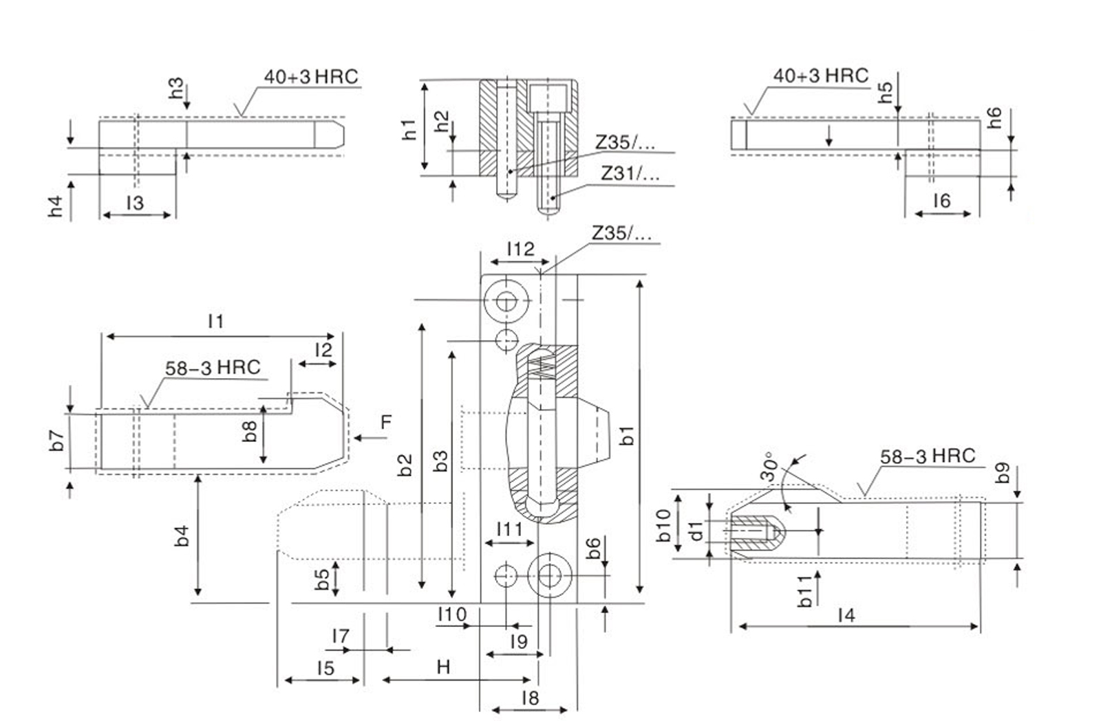
Designed simple,easytoinstall,the height is
adjustable when operating.test proved that
you can choose one from Z171 and Z170.

| Type | b1mm | l8mm | l9mm | l10mm | b6mm | b3mm | b2mm | h2mm | l1mm | b7mm | b8mm | h3mm | l4mm | b9mm |
| Z171/1 | 75 | 22 | 16 | 6 | 6 | 60 | 69 | 6 | 140 | 12.5 | 16 | 6 | 140 | 12.5 |
| Z171/2 | 90 | 31.5 | 24 | 8 | 7 | 73 | 83 | 7.5 | 180 | 16 | 20.5 | 12.5 | 180 | 16 |
| Z171/3 | 112 | 40 | 30 | 10 | 9 | 88 | 103 | 12 | 250 | 20 | 25.5 | 16 | 250 | 20 |
訂購:118-鎖模扣 Z171