
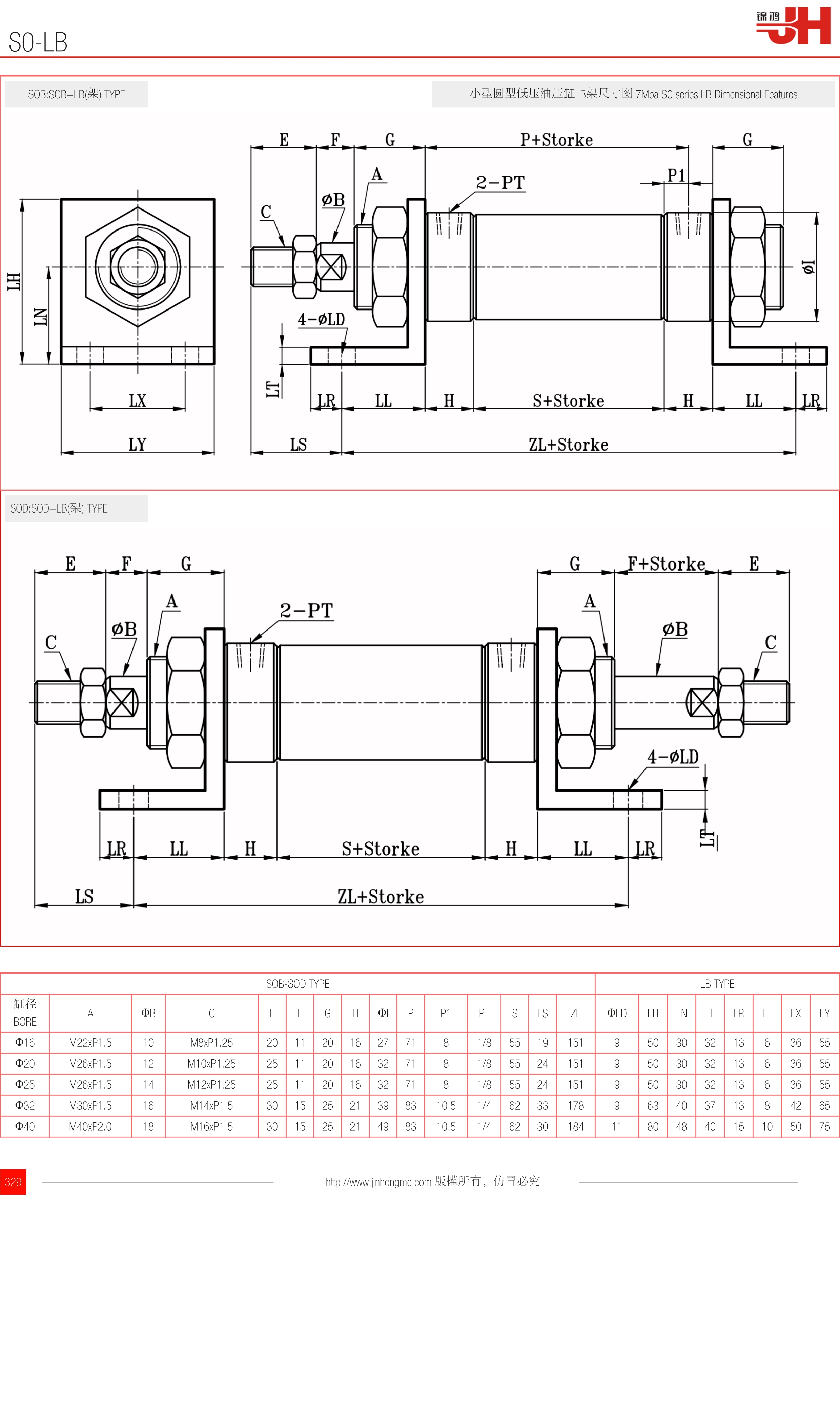
SOB:SOB+LB(架) TYPE | 小型圓型低壓油壓缸LB架尺寸圖 7Mpa S0 series LB Dimensional Features |
![]() | |
SOD:SOD+LB(架) TYPE

| SOB-SOD TYPE | LB TYPE | |||||||||||||||||||||
| 缸徑 BORE | A | ΦB | C | E | F | G | H | ΦI | P | P1 | PT | S | LS | ZL | ΦLD | LH | LN | LL | LR | LT | LX | LY |
| Φ16 | M22xP1.5 | 10 | M8xP1.25 | 20 | 11 | 20 | 16 | 27 | 71 | 8 | 1/8 | 55 | 19 | 151 | 9 | 50 | 30 | 32 | 13 | 6 | 36 | 55 |
| Φ20 | M26xP1.5 | 12 | M10xP1.25 | 25 | 11 | 20 | 16 | 32 | 71 | 8 | 1/8 | 55 | 24 | 151 | 9 | 50 | 30 | 32 | 13 | 6 | 36 | 55 |
| Φ25 | M26xP1.5 | 14 | M12xP1.25 | 25 | 11 | 20 | 16 | 32 | 71 | 8 | 1/8 | 55 | 24 | 151 | 9 | 50 | 30 | 32 | 13 | 6 | 36 | 55 |
| Φ32 | M30xP1.5 | 16 | M14xP1.5 | 30 | 15 | 25 | 21 | 39 | 83 | 10.5 | 1/4 | 62 | 33 | 178 | 9 | 63 | 40 | 37 | 13 | 8 | 42 | 65 |
| Φ40 | M40xP2.0 | 18 | M16xP1.5 | 30 | 15 | 25 | 21 | 49 | 83 | 10.5 | 1/4 | 62 | 30 | 184 | 11 | 80 | 48 | 40 | 15 | 10 | 50 | 75 |
訂購:s0-lb